


SIZE (NB) |
300 |
350 |
400 |
450 |
500 |
600 |
700 |
750 |
800 |
900 |
1000 |
1100 |
FACE TO FACE |
178 |
190 |
216 |
222 |
229 |
267 |
292 |
304 |
318 |
330 |
410 |
440 |
SIZE (NB) |
1200 |
1400 |
1500 |
1600 |
1800 |
2000 |
2200 |
2400 |
2500 |
FACE TO FACE |
470 |
530 |
560 |
600 |
670 |
760 |
770 |
770 |
780 |


All Dimmensions in mm
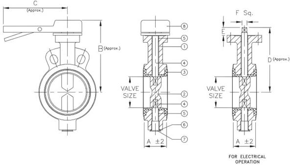
VALVE SIZE |
A±2 |
B |
C |
D |
E |
FSq. |
FLANG |
50 Ø |
42 |
180 |
230 |
154 |
16 |
14 |
F05 |
80 Ø |
44 |
195 |
230 |
172 |
16 |
14 |
F05 |
100 Ø |
50 |
205 |
265 |
180 |
16 |
14 |
F05 |
150 Ø |
56 |
235 |
265 |
210 |
17 |
17 |
F07 |
200 Ø |
60 |
320 |
315 |
276 |
17 |
17 |
F07 |
250 Ø |
68 |
350 |
-- |
306 |
25 |
22 |
F10 |
300 Ø |
78 |
375 |
-- |
331 |
25 |
22 |
F10 |
Sr. No |
COMPONENT |
MATERIAL |
1 |
BODY |
C.I.IS: 210 GR.FG 200 |
2 |
DISC |
CI or DI |
3 |
LINER |
Vulcanized |
4 |
SHAFT |
S.S. |
5 |
BUSHING |
TEFLON |
6 |
'O' RING FOR PLUG |
NITRIL RUBBER |
7 |
PLUG |
S.S. |
8 |
LEVER |
Std. |